Hydraulic pump / motor, press, hydraulic system design, research and development, production, sales, domestic advanced manufacturing enterprises
Pay attention to details Quality Improve Service QualityConstanti pump replacement import full coverage

You are here: front page » product » CY axial piston pump series » Q100YCY14-1B

Product Category

Contact Us

headquarter:

Pingtang Industrial Zone, Dongwu Town, Yinzhou District, Ningbo City (Chestang)

Turnout: 0574-55876868

Fax: 0574-55876899

Email:Vip@hilead.cn

Hydraulic pump sales

Line 1: 0574-55876243

Line 2: 0574-55876242 15867817352 (Chen Manager)

Line 3: 15258304855 (Zheng Yi)

Line 4: 13780080981 (Manager Liu)

Email:sales@hilead.cn

Hydraulic pump foreign trade sales department

Line: 0574-55876243 15606620990 (Jonathan)

Email:Jonathan@hilead.cn

CY pump sales

Line: 0574-55876245 (Yang Manager)

Eamil:2108586240@qq.com

Composite press sales department

Straight line: 13616582276 (Xu)

Email:xjx@hilead.cn

loading

Share to:
sharethis sharing button

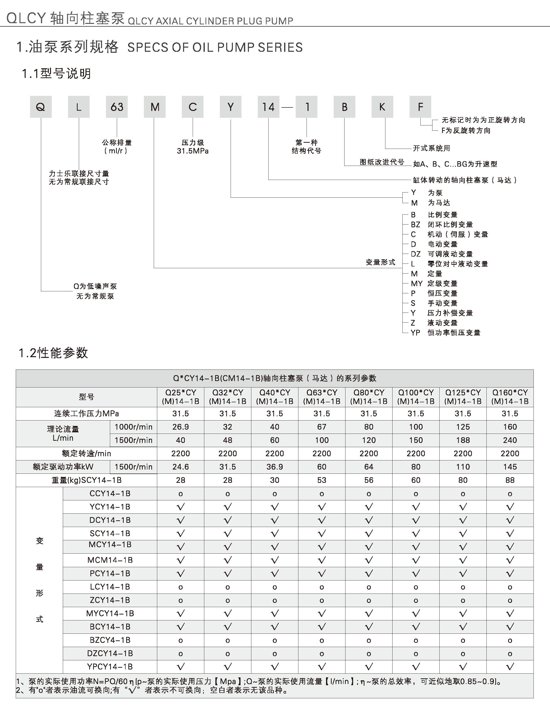
Q100YCY14-1B

Variable method: Ycy14-1B
Applications: Hydraulic Systems such as Forging Machinery, Machine Tools, Marine, Metallurgy, Mining Machinery
Rated pressure: 30 MP
Rated speed: 2200 rpm
Product Brand: hilead


Note: Values ​​can be provided with different displacements such as 10, 25, 32, 40, 63, 80, 100, 125, 160, 250, 414 and other control modes.
Availability:
  • HiLEAD

product description

Q100YCY14-1B-1Q100YCY14-1B-2Q100YCY14-1B-3

Product manual download

Product manual download

Previous: 
Next: 
Ningbo Hilead Hydraulic Co., Ltd.
Ningbo hilead hydraulic co., Ltd
Service hotline: 0574-55876868

Product Service

Company Profile

Service Support

Contact Us

Copyright: Ningbo Hilead Hydraulic Co., Ltd.Zhejiang ICP 2020033702 -1Technical Support:Haipai network